![]()  | 
			|||
| HSG | 
		    
  | 
		
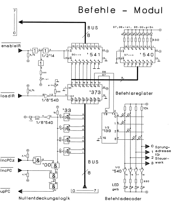
Download der Datei für maßstäblichen Druck: befehle.png

Das Bild zeigt im Detail die Diodenmatrix und das Widerstandsarray für den Befehlsdecoder.
Das Widerstandsarray ist auf dem Gesamtbild vergessen und auf dem Detailbild aus einem 9-8-Typ
durch Abbrechen entstanden.